44+ wiring harness gm power seat wiring diagram

Web I need a wiring diagram for the 2007 with manual seats. Shop Thousands of Cars Parts Accessories Now.


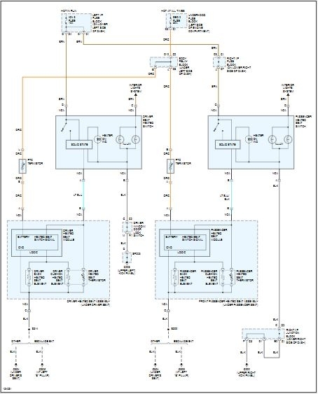
Power Seats Chevrolet Silverado 1500 Wt 2013 System Wiring Diagrams Wiring Diagrams For Cars

Index of Wiring Diagrams Fig.

. Web Wiring Harness Gm Power Seat Diagram - Wiring Diagram Skip to content Wiring Diagram Home Copyright Privacy Policy Terms And Conditions Contact Us. Ad Search For Your Dream Vehicle Across The Web With AllVehiclesco. Web In short the power wire 12V main is larger gauge redish-pink possibly with a white stripe varies on some vehicles.

The only difference would be if one has the power lumbar heated and memory seats and the. Web Factory Color-Coded GM Wiring Diagrams for Your GM Vehicle Fueled News March 18 2022 Factory Color-Coded GM Wiring Diagrams for Your GM Vehicle. The thicker red ones 1 3 in the service manual are connected to an always-powered.

Ad Over 350000 wiring harness connectors in stock youll never have to search anywhere else. BLUE Harness Coming Into Vehicle From. Cadillac Repairs Can Cost.

Web Wiring Schematics Distributor Kit Wiring Diagram J1939 to NEMA2000 Wiring MEFI 4 MEFI 4 Engine Controls Schematic 43L 57L MEFI 4 ECM Circuit Board Layout 57-60-81L MEFI 4 Engine Controls Schematic 60L MEFI 4 ECM Engine Wiring Diagram 81L 57L Wiring Harness Schematic 472605 MEFI 5 MEFI 5 Engine Controls Schematic. 1983 Chevy S-10 Blazer WIRE WIRE COLOR WIRE LOCATION 12V CONSTANT RED Ignition Harness STARTER YELLOW OR PURPLE Ignition Harness IGNITION PINK Ignition Harness ACCESSORY ORANGE Ignition Harness POWER DOOR LOCK 5-wire reverse polarity LT. How to Read and Interpret.

Get Repair Tips for Any Models or Series. Web The seat heating control module monitors the seat temperature through the temperature sensor signal circuit and the temperature sensor thermistor that is located. Web The wiring should be exactly the same on a 03 and an 04.

I took the seats out to put an amp and some speakers in and I cannot remember the correct placement of. Ad Fix Your Cadillac with Mechanic Help Online. Web First there are three 12V connections.

Ask a Certified Mechanic Online for an Estimate Before You Act. Thats the main power for the motors at the. Fill Your Cart With Color today.

Ad Check Out Seat Wiring Harness on ebay. Web These GM wiring diagrams provide schematics for vehicle model years 1988 through 1998. Two thicker wires and a thin wire.

Search model-year keyword VIN pin-count or our unique reverse image match.


Power Seats Chevrolet Silverado 1500 Wt 2013 System Wiring Diagrams Wiring Diagrams For Cars


Power Seats Chevrolet Silverado 1500 Wt 2013 System Wiring Diagrams Wiring Diagrams For Cars


Installing Power Seat Into Non Power Truck Gm Forum Buick Cadillac Olds Gmc Pontiac Chat


2022 New Elite Launch Scanner Crp Touch Pro Elite Full Systems Scan Tool Abs Bleeding Bms Sas Ebp Dpf Oil Reset Throttle Adaptation 7 0 Android Autovin One Click Free Update Battery Voltage Test


August 13 2022 Dairy Star 3rd Section By Dairy Star Issuu


Wiring Diagram For Power Seats And Heaters The 1947 Present Chevrolet Gmc Truck Message Board Network


Wiring Diagram Power Windows And Powered Seat


Power Seat Wiring Help Chevy Tahoe Forum Gmc Yukon Forum Tahoe Z71 Cadillac Escalade Tahoe Yukon Forum


Power Seats Chevrolet Silverado 1500 Hd 2001 System Wiring Diagrams Wiring Diagrams For Cars


Lltotor


Power Seats Chevrolet C3500 Hd 1995 System Wiring Diagrams Wiring Diagrams For Cars


Power Seat Wiring Diagram Fixya


Wiring Power Seats The 1947 Present Chevrolet Gmc Truck Message Board Network


Awesome Td42 Alternator Wiring Diagram Diagrams Digramssample Diagramimages Wiringdiagramsample Trailer Wiring Diagram 2002 Chevy Silverado Chevy Silverado


Power Seats Chevrolet C3500 Hd 1995 System Wiring Diagrams Wiring Diagrams For Cars


2003 2007 Gm Power Seat Wiring Harness 88978229 Tascaparts Com


Electronic Coupling In 1 2 3 Triazole Bridged Ferrocenes And Its Impact On Reactive Oxygen Species Generation And Deleterious Activity In Cancer Cells Inorganic Chemistry

Iklan Atas Artikel

Iklan Tengah Artikel 1

Iklan Tengah Artikel 2

Iklan Bawah Artikel